May 2025

  1. Un año de esfuerzos y crecimiento

    Un año de esfuerzos y crecimiento

    DIMAE: Un Año de Esfuerzo y Crecimiento Valencia: Avanzando hacia la normalidad Tras el impacto de la DANA, nos enorgullece anunciar las instalaciones de Valencia han sido rehabilitadas gracias al esfuerzo y ayuda de compañeros de muchas regiones y clientes valencianos. Tras unas semanas con dificultades operativas retomamos la persecución de mejora continua del servicio para atender todas las necesidades...
  2. Interruptor diferencial

    Interruptor diferencial

    El Interruptor diferencial (ID) es un dispositivo de protección automático que tiene la función de proteger la instalación de derivaciones a tierra y a las personas de contactos directos o indirectos. ¿Cómo funciona? Mide la intensidad de corriente al inicio y salida de un circuito y, si detecta alguna variación, entiende que hay una fuga eléctrica y suspende la corriente...
  3. Tipos de automatismos

    Tipos de automatismos

    Existen dos tipos principales de automatismos: los de lógica programada y los de lógica cableada. Los de lógica programada se basan en software, permitiendo una mayor flexibilidad y configuración a través de la programación de algoritmos. Por otro lado, los de lógica cableada utilizan circuitos eléctricos preconfigurados para realizar tareas específicas, ofreciendo una respuesta más inmediata pero con menos capacidad...
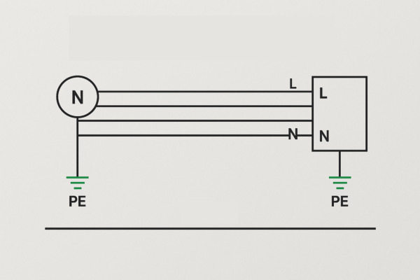
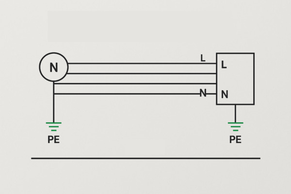
  4. Protección Contra Contactos Indirectos por Corte Automático en Sistemas TT

    Protección Contra Contactos Indirectos por Corte Automático en Sistemas TT

    En un sistema de distribución TT (Tierra-Tierra), la protección contra contactos indirectos se realiza mediante el corte automático de la alimentación cuando se detecta una corriente de defecto. Este tipo de sistema es común en instalaciones residenciales e industriales donde la seguridad del usuario es prioritaria. Principio de Funcionamiento del Sistema TT En un sistema TT: El neutro del transformador...
  5. Aplicaciones y funciones básicas de los variadores de frecuencia

    Aplicaciones y funciones básicas de los variadores de frecuencia

    Los variadores de velocidad son dispositivos que desempeñan un papel crucial en la gestión eficiente de motores eléctricos. Al permitir el ajuste dinámico de la velocidad del motor, estos equipos maximizan la productividad, reducen el consumo energético y prolongan la vida útil de las máquinas.Estos modifican la frecuencia y el voltaje de la corriente suministrada a un motor eléctrico. Esto...

5 artículo(s)