Artículos técnicos

  1. Guía para realizar la tramitación de instalaciones de autoconsumo con excedentes

    Guía para realizar la tramitación de instalaciones de autoconsumo con excedentes

    El autoconsumo con excedentes permite a los usuarios producir su propia energía y verter a la red los excedentes generados. Dentro del autoconsumo con excedentes, por un lado, se encuentran las instalaciones acogidas a compensación, que reciben una compensación económica reflejada en la factura eléctrica por la energía vertida durante cada periodo de facturación, lo que permite reducir el coste en la factura...
  2. Guía para realizar la tramitación de instalaciones de autoconsumo sin excedentes 

    Guía para realizar la tramitación de instalaciones de autoconsumo sin excedentes 

    La tramitación administrativa de las instalaciones de autoconsumo puede implicar gestiones ante organismos de ámbito estatal, autonómico y local, así como con la empresa distribuidora y/o comercializadora. En función de la potencia de la instalación, la modalidad de autoconsumo, el tipo de conexión y si se va a tratar de una instalación individual o colectiva, algunas instalaciones pueden quedar exentas...
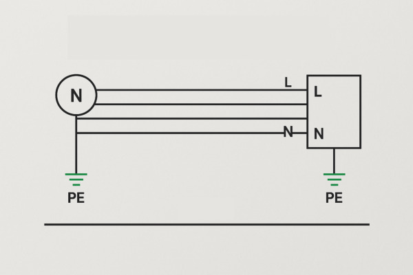
  3. Puesta a tierra y esquemas de distribución: qué son y por qué importan 

    Puesta a tierra y esquemas de distribución: qué son y por qué importan 

    La puesta a tierra y el esquema de distribución de una instalación eléctrica son aspectos fundamentales para garantizar la seguridad de las personas, la protección de los equipos y el correcto funcionamiento de las protecciones eléctricas. Sin embargo, a pesar de su importancia, a menudo se tratan como conceptos secundarios o se aplican sin comprender realmente su alcance.  La función de...
  4. La importancia del SPL en la infraestructura para la recarga del vehículo eléctrico

    La importancia del SPL en la infraestructura para la recarga del vehículo eléctrico

    El sistema de protección de la línea general de alimentación (SPL) tiene como objetivo proteger la continuidad del suministro de un edificio frente a las sobrecargas provocadas por la recarga simultánea de vehículos eléctricos. Una sobrecarga sucede cuando la demanda de corriente de la instalación supera la capacidad para la que fue diseñada, lo que puede provocar un sobrecalentamiento en...
  5. Características técnicas de las Infraestructuras de Recarga de Vehículos Eléctricos (IRVEs) según su emplazamiento

    Características técnicas de las Infraestructuras de Recarga de Vehículos Eléctricos (IRVEs) según su emplazamiento

    Las instalaciones para la recarga de vehículos eléctricos (IRVE) en España están reguladas por la ITC-BT-52 del Reglamento Electrotécnico para Baja Tensión (REBT). Esta instrucción técnica clasifica los entornos de instalación en cinco categorías, cada una con características técnicas específicas. Aparcamientos de viviendas unifamiliares o de una sola propiedad Esta categoría incluye viviendas unifamiliares, como chalets o adosados, y aquellas...
  6. Análisis de la normativa sobre la utilización de diferenciales en estaciones de carga de vehículo eléctrico

    Análisis de la normativa sobre la utilización de diferenciales en estaciones de carga de vehículo eléctrico

    Las estaciones de carga de vehículo eléctrico (EV) presentan retos específicos en protección frente a corrientes de fuga, tanto de componente alterna como continua. La correcta selección e instalación de los diferenciales (RCD) es clave para garantizar la seguridad de las personas y la conformidad con la normativa nacional y europea. Según normativa ITC BT-24 se debe instalar siempre una...
  7. Protección segura y fiable contra sobretensiones

    Protección segura y fiable contra sobretensiones

    Un aumento notable y repentino de la tensión en la red eléctrica puede llegar a ser muy nocivo para una instalación. Estas sobretensiones pueden producirse por manipulación en la conexión de la red, descargas atmosféricas… Para proteger las diversas cargas (sobretodo las mas sensibles) que están expuestas a estas subidas de voltaje, es obligatorio poner un protector/descargador de sobretensiones por...
  8. Protección contra contactos indirectos por Corte Automático en sistemas TT

    Protección contra contactos indirectos por Corte Automático en sistemas TT

    En un sistema de distribución TT (Tierra-Tierra), la protección contra contactos indirectos se realiza mediante el corte automático de la alimentación cuando se detecta una corriente de defecto. Este tipo de sistema es común en instalaciones residenciales e industriales donde la seguridad del usuario es prioritaria. Principio de Funcionamiento del Sistema TT En un sistema TT: El neutro del transformador...
  9. Interruptor diferencial

    Interruptor diferencial

    El Interruptor diferencial (ID) es un dispositivo de protección automático que tiene la función de proteger la instalación de derivaciones a tierra y a las personas de contactos directos o indirectos. ¿Cómo funciona? Mide la intensidad de corriente al inicio y salida de un circuito y, si detecta alguna variación, entiende que hay una fuga eléctrica y suspende la corriente...
  10. Tipos de automatismos

    Tipos de automatismos

    Existen dos tipos principales de automatismos: los de lógica programada y los de lógica cableada. Los de lógica programada se basan en software, permitiendo una mayor flexibilidad y configuración a través de la programación de algoritmos. Por otro lado, los de lógica cableada utilizan circuitos eléctricos preconfigurados para realizar tareas específicas, ofreciendo una respuesta más inmediata pero con menos capacidad...
  11. Protección Contra Contactos Indirectos por Corte Automático en Sistemas TT

    Protección Contra Contactos Indirectos por Corte Automático en Sistemas TT

    En un sistema de distribución TT (Tierra-Tierra), la protección contra contactos indirectos se realiza mediante el corte automático de la alimentación cuando se detecta una corriente de defecto. Este tipo de sistema es común en instalaciones residenciales e industriales donde la seguridad del usuario es prioritaria. Principio de Funcionamiento del Sistema TT En un sistema TT: El neutro del transformador...
  12. Aplicaciones y funciones básicas de los variadores de frecuencia

    Aplicaciones y funciones básicas de los variadores de frecuencia

    Los variadores de velocidad son dispositivos que desempeñan un papel crucial en la gestión eficiente de motores eléctricos. Al permitir el ajuste dinámico de la velocidad del motor, estos equipos maximizan la productividad, reducen el consumo energético y prolongan la vida útil de las máquinas.Estos modifican la frecuencia y el voltaje de la corriente suministrada a un motor eléctrico. Esto...
  13. Las canales protectoras

    Las canales protectoras

    Las canales protectoras desempeñan un papel crucial en la organización y protección de cables eléctricos en diferentes entornos industriales, comerciales y residenciales. Su utilización no solo mejora la seguridad, sino que también garantiza el cumplimiento de la normativa vigente en España. Aplicaciones sobre canales protectorasLas principales aplicaciones de las canales protectoras incluyen: Protección de Cables: Evitan el desgaste mecánico, el contacto...
  14. Tipos de relés

    Tipos de relés

    Desde su invención en el siglo XIX, el relé no ha dejado de evolucionar con nuevos materiales y distinta estructura. Estos dispostivos son muy utilizados en muchos sectores y con finalidades muy diferentes. Es por eso que la variedad de ellos tambien es amplía, adaptandose a cada contexo, entorno y requisitos. La division mas clara para clasificarlos es según el...
  15. Interruptor diferencial

    Interruptor diferencial

    El Interruptor diferencial (ID) es un dispositivo de protección automático que tiene la función de proteger la instalación de derivaciones a tierra y a las personas de contactos directos o indirectos. ¿Cómo funciona? Mide la intensidad de corriente al inicio y salida de un circuito y, si detecta alguna variación, entiende que hay una fuga eléctrica y suspende la corriente...
  16. LAS CINCO REGLAS DE ORO

    LAS CINCO REGLAS DE ORO

    La seguridad es el factor más importante a tener en cuenta cuando se manipule cualquier instalación eléctrica. En toda instalación eléctrica existen tres principales riesgos: Contactos directos: Son aquellos en los que el trabajador entra en contacto con la instalación, por ejemplo cuando el trabajador toca un cable en tensión con la mano. Contactos indirectos: Son aquellos en los que...
  17. Arrancador Vs Variador de frecuencia

    Arrancador Vs Variador de frecuencia

    ¿Arrancador suave VS variador de frecuencia? Un arrancador suave está compuesto por tiristores que controlan el voltaje de arranque aplicado a un motor aumentándolo a medida que el motor acelera, de modo que la frecuencia de funcionamiento permanece invariante. Un variador de frecuencia está formado por un rectificador (el voltaje de AC lo convierte en voltaje DC), un filtro de...
  18. Regulación y control de la iluminación

    Regulación y control de la iluminación

    La regulación de las luminarias o de las fuentes de luz, nos permite modificar su flujo luminoso y adaptar el nivel de iluminación de las instalaciones, según sus necesidades concretas. Bien sea por simple confort o bien para obtener una luminancia correcta que permita desarrollar un trabajo, la regulación de la iluminación es una ventaja que debería tenerse en cuenta...
  19. Vida útil y ciclos deencendidos de las luminarias LED ... Los grandes olvidados

    Vida útil y ciclos deencendidos de las luminarias LED ... Los grandes olvidados

    25.000, 50.000… 100.000 h, son algunos ejemplos de las horas de vida que indican los fabricantes de luminarias y fuentes de luz Led en sus catálogos y fichas técnicas. Es habitual, que estos datos sean los que se tengan en cuenta a la hora de comparar unas luminarias con otras y en muchos casos, sean los determinantes para seleccionar las...
  20. La nueva pregunta: ¿Es rentable actualmente la acumulación en autoconsumo?

    La nueva pregunta: ¿Es rentable actualmente la acumulación en autoconsumo?

    Durante las últimas décadas hemos visto crecer de forma sostenida en el tiempo los precios de la energía, en particular la eléctrica, con diferentes cambios normativos en la estructura de los peajes. Pero ha sido en este último año, en el que hemos experimentado una subida abrupta de los precios del mercado mayorista que finalmente afectan a los precios de...
  21. Soluciones Schneider para evitar los disparos intempestivos de los interruptores diferenciales

    Soluciones Schneider para evitar los disparos intempestivos de los interruptores diferenciales

    El aumento de componentes electrónicos y variadores de frecuencia en entornos industriales y terciarios ha provocado un incremento de disparos de los interruptores diferenciales. Esta situación puede producirse también a nivel residencial o instalación eléctrica en pequeños negocios donde se comparta el mismo centro de transformación con un gran equipo de consumo. En el presente artículo, Schneider en colaboración con...
  22. Napoleón Armengol nos muestra cómo elegir el tubo flexible más adecuado para cada instalación

    Napoleón Armengol nos muestra cómo elegir el tubo flexible más adecuado para cada instalación

    El tubo flexible para cableado eléctrico, tiene la función de proteger el conductor en las instalaciones, las cuales, pueden ser empotradas, superficie o enterradas. Además de poder elegir entre diferentes tipos de materiales para el tubo flexible, puedes elegir el diámetro en función del número de conductores que haya.  Ventajas del tubo flexible para cables eléctricos  Una de las ventajas...
  23. Gama Vigivolt de protección contra sobretensiones

    Gama Vigivolt de protección contra sobretensiones

    Las instalaciones eléctricas se ven afectadas durante su vida útil, en muchas ocasiones, por picos de tensión o sobretensiones causadas generalmente por tormentas, maniobras de la compañías eléctricas o derivaciones de electricidad estática provocando una disminución de la vida útil de estas instalaciones y a los aparatos electrónicos conectados a dicha red.  Existen dos tipos de sobretensiones en función de...
  24. Conoce las diferencias entre un purificador de aire y un sistema de ventilación

    Conoce las diferencias entre un purificador de aire y un sistema de ventilación

    Con la situación de pandemia en la que nos encontramos son muchos los usuarios, oficinas o negocios que están planteándose instalar un sistema de ventilación o un purificador de aire que ayude a mejorar la calidad del aire de un recinto cerrado. En este artículo, se pretende profundizar en estos dos sistemas y ver qué ventajas tiene uno respecto al...
  25. Conoce el proyecto Alioth de Zemper y sus mejoras en los sistemas de evacuación de edificios

    Conoce el proyecto Alioth de Zemper y sus mejoras en los sistemas de evacuación de edificios

    Tener diseñado un correcto plan de evacuación en un lugar de trabajo, en una vivienda o en cualquier edificio público o privado que pueda tener una afluencia de personas significativo es determinante para salvar vidas y evitar daños mayores. Los factores de riesgo determinantes en la evacuación de un edificio son: Configuración del edificio: engloba todos los aspectos constructivos y...
  26. Mitsubishi Electric desarrolla una tecnología para convertidores de alta densidad de potencia con componentes integrados

    Mitsubishi Electric desarrolla una tecnología para convertidores de alta densidad de potencia con componentes integrados

    Mitsubishi Electric Corporation ha anunciado que ha desarrollado una nueva tecnología para integrar dispositivos de potencia, dispositivos pasivos, sensores y otros componentes integrados en el mismo sustrato. La empresa ha implantado esta tecnología en un convertidor de CC a CC bidireccional de 100 kW (continuo) para lograr lo que se cree que es el convertidor de potencia con la mayor...
  27. ¿Qué rendimiento debe tener la bomba? por ESPA

    ¿Qué rendimiento debe tener la bomba? por ESPA

    Muchas veces se habla del rendimiento óptimo que debe tener una bomba, en este artículo explicamos qué es el rendimiento de una bomba y como se calcula. Se entiende por rendimiento el caudal nominal, la altura manométrica y la potencia absorbida que debe tener la bomba para optimar la instalación. Caudal nominal (Q) El caudal nominal es el volumen de líquido requerido...